WSE600 热电偶信号隔离安全栅
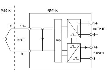
直接与危险区现场的热电偶接口 将热电偶信号转换为4~20mA 电源 输入 输出相互隔离
主要技术参数:
| 防爆标志 | [Exia]Ⅱ C |
| 电 源 | 电源端7、8 |
| 电压范围 | 20~35V DC |
| 功 耗 | 约1.0W(输出 20mA/550Ω) |
| 危险区信号 | 输入端9、10 |
| 热电偶类型 | J、K、T、E、S、B |
| 安全区信号 | 输出端5、6 |
| 输出信号 | 4~20mA(1~5V) |
| 输出负载 | 0~550 Ω |
| 传输特性 | 精 度 0.1% F.S |
| 温度漂移 | 0.003% F.S/℃ |
| 冷 补 | 每20℃误差1℃ |
| 响应时间(10%~90%) | <500ms |
| 绝缘强度 | 本安端/ 非本安端 2500V/1 分钟,非 本 安 端 之 间 1000V/1 分钟 |
| 防爆认证参数 | 10+、9- 端口 Uo =2.7V Io=1.4mA Po=0.95mW Um=250V AC/DC |
| Ⅱ C:Co=70 μ F Lo=1000mH | |
| 工作温度 | -20℃~+60℃ |
| 防护等级 | IP20(IEC60529/EN60529) |
| 安 装 | T 型35mm 标准导轨 |
| 外 壳 | 聚碳酸酯/ABS 外壳材料 |
| 接线颜色标识 | 安全端- ****** 危险端- 兰色 |
| 适用现场设备 | J、K、T、E、S、B 热电偶,毫伏信号传感器 |
定 货 标 识:
尾标1(输入):热电偶类型K、J、S、N、B、T、E
尾标2 测量温度范围类别:A:0~400℃ B:0~600℃ C:0~800℃
D:0~1300℃ E:0~1600℃ S:特定
尾标3(输出):V-1-5V I-4-20mA T-4-20mA 环路供电
定货型号举例:WSE600KCI 输入0-800℃(K 偶)/ 输出一路4-20mA
产品连线图:

产品尺寸图:
