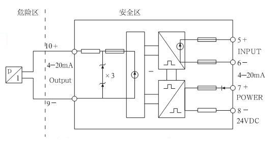
WSE100检测端二、三线制输入隔离安全栅
将直流电流信号从危险区隔离传输到安全区电源 信号输入 信号输出三隔离
主要技术参数:
| 防爆标志 | [Exia]Ⅱ C |
| 电 源 | 电压范围 20~35V DC |
| 功 耗 | 不配电1.0W 配电1.4W(输出 20mA/550Ω) |
| 危险区信号 | 输入端9、10、11;4-20mA 信号源 9、11;二线制变送器 9、10;三线制变送器 9、10、11 |
| 安全区信号 | 输出信号 4~20mA:输出(电流)负载 0~550 Ω;输出(电压)内阻:250 Ω(1~5V);输出端安全实施加电压:≤35VDC |
| 传输特性 | 精 度 0.1% F.S |
| 温度漂移 | 0.003% F.S/℃ |
| 响应时间(10%~90%) | <50ms |
| 防爆认证参数 | 9- 10+ 端口:Uo =27V Io=88.5mA Po=597mW,Um=250V AC/DC, |
| Ⅱ C | Co=0.063 μ F Lo=3.2mH |
| 9+ 11- 端口:Uo =2.7V Io=38mA Po=25.65mW Um=250V AC/DC | |
| Ⅱ C | Co=70 μ F Lo=17.24mH |
| 9- 10+ 11- 端口:Uo =26.3V Io=136mA,o=894.2mW Um=250V AC/DC | |
| Ⅱ C | Co=0.068 μ F Lo=1.35mH |
| 绝缘强度 | 本安端/ 非本安端 2500V/1 分钟, 本 安 端 之 间 1000V/1 分钟 |
| 外 壳 | 聚碳酸酯/ABS 外壳材料 |
| 安 装 | T 型35mm 标准导轨 |
| 工作温度 | -20℃~+60℃ |
| 保护等级 | IP20(IEC60529/EN60529) |
| 接线颜色标识 | 安全端- ****** 危险端- 兰色 |
产品连线图:

产品尺寸图:
