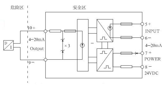
WSE200操作端隔离安全栅
将安全区信号变换传送到危险区 电源 输入 输出三部分相互隔离
主要技术参数:
| 防爆标志 | [Exia]Ⅱ C |
| 电 源 | 电源端7、8 |
| 电压范围 | 20~35V DC |
| 功 耗 | 1.0W(输出 20mA/550Ω) |
| 危险区信号 | 输出端9、10 |
| 输出信号 | 4~20mA |
| 输出负载 | 0~550 Ω |
| 安全区信号 | 输入端5、6 |
| 输入电流 | 4~20mA (电压降< 4V) |
| 输入电压 | 0~10V(阻抗> 100K Ω) |
| 传输特性 | 精 度 0.1% F.S |
| 温度漂移 | 0.003% F.S/℃ |
| 响应时间(10%~90%) | <50ms |
| 绝缘强度 | 本安端/ 非本安端 2500V/1 分钟,非 本 安 端 之 间 1000V/1 分钟 |
| 防爆认证参数 | 9 -、10+ 端口:Uo=28V Io=93mA Po=651mW Um=250V AC/DC |
| IIC:Co=0.05 μ F Lo=2.94mH | |
| 工作温度 | -20℃~+60℃ |
| 防护等级 | IP20(IEC60529/EN60529) |
| 安 装 | T 型35mm 标准导轨 |
| 外 壳 | 聚碳酸酯/ABS 外壳材料 |
| 接线颜色标识 | 安全端- ****** 危险端- 兰色 |
| 适用现场设备 | 阀门定位器 电/ 气转换器(4~20mA) |
产品连线图:

产品尺寸图:
